Жіночий до латунної футболки
Тінгертех
| Наявність: | |
|---|---|
| Кількість: | |
Опис товару
Ми пропонуємо широкий асортимент трубопровідної арматури, доступної в різних стилях і розмірах, щоб задовольнити всі ваші комерційні та житлові потреби.
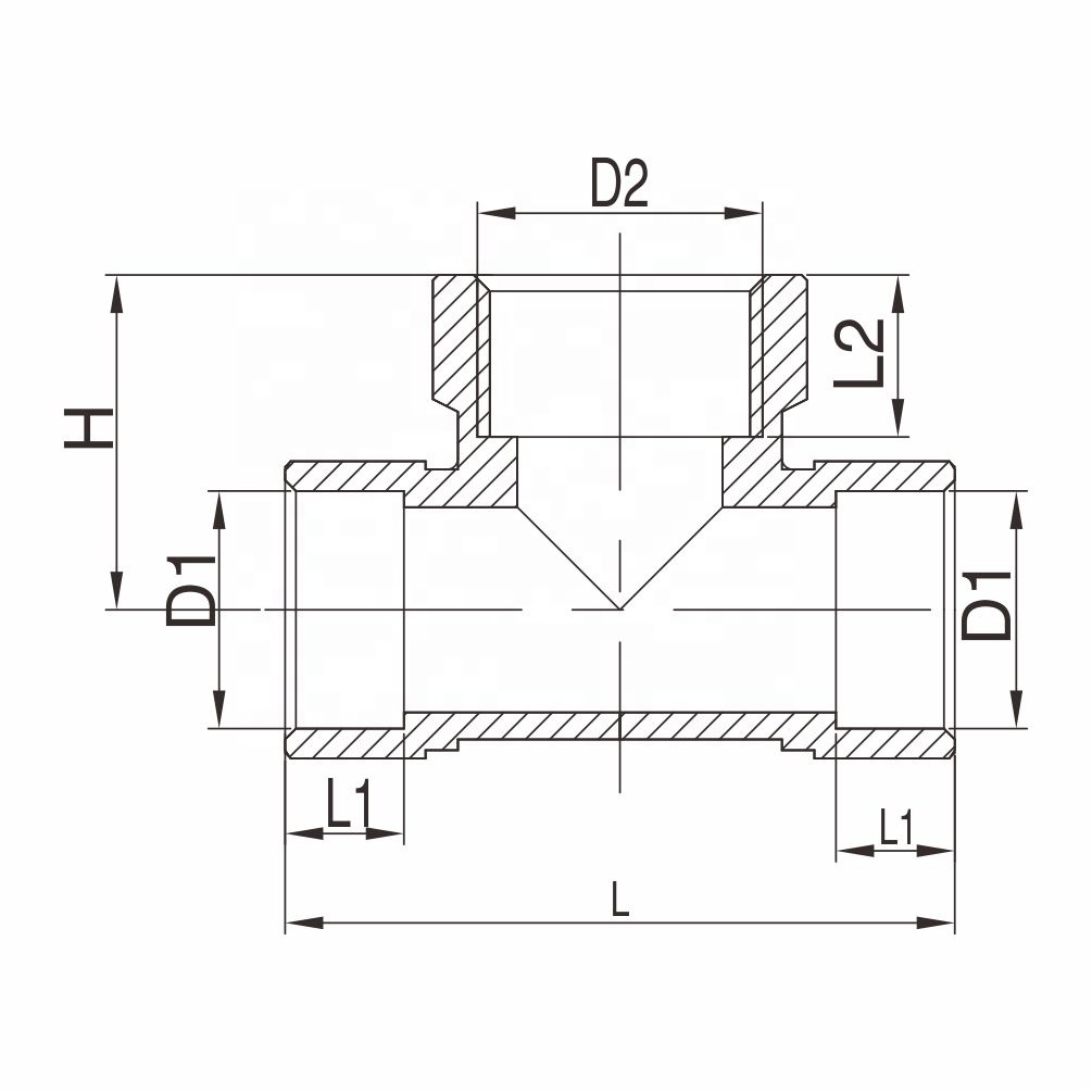
Усі наші мідні напірні фітинги виготовляються відповідно до інших стандартів і доступні в розмірах від 1/4 дюйма до 6 дюймів.
|
Номер моделі
|
Розмір (мм)
|
|||||
|
D1
|
D2
|
Х
|
Л
|
L1
|
L2
|
|
|
TCN-G48X15
|
15
|
G1/2
|
25.5
|
50
|
9
|
13
|
|
TCN-G48X16
|
16
|
G1/2
|
25.5
|
50
|
9
|
13
|
|
TCN-G48X22
|
22
|
G1/2
|
28
|
56
|
11
|
13
|
|
TCN-G48X28
|
28
|
G1/2
|
28
|
60
|
12
|
13
|
|
TCN-G68X22
|
22
|
G3/4
|
31
|
62
|
11
|
15
|
|
TCN-G68X28
|
28
|
G3/4
|
32
|
63
|
13
|
15
|
|
TCN-G1X28
|
28
|
G1
|
36
|
70
|
13
|
17
|

Зв'яжіться з нами