TGB400 Ⅰ 3kW-6P
tingertech
3000w
50Hz, 60Hz, 50/60Hz
| Tình trạng sẵn có: | |
|---|---|
| Số lượng: | |
Mô tả sản phẩm
Quạt ly tâm TGB Series là loại quạt điều hòa không khí. Cánh quạt ly tâm được dẫn động bởi động cơ ba pha bên ngoài. Nó được phát triển bằng cách sử dụng công nghệ cao, có độ ồn thấp và cấu trúc nhỏ gọn. Nó được thiết kế đặc biệt cho điều hòa không khí. Tốc độ dòng chảy và tổng phạm vi áp suất của quạt ly tâm dòng này là từ 1000m /h đến 20000m /h và 200Pa đến 850Pa. Đây là thiết bị lý tưởng cho điều hòa không khí và các loại hệ thống quạt khác.

Quạt ly tâm dòng TGB có 2 chiều quay là quay trái (LG) và quay phải (RD); Nhìn từ phía truyền động, nếu cánh quạt ly tâm quay theo chiều kim đồng hồ thì đó là vòng quay bên trái (LG). Nếu cánh quạt ly tâm quay ngược chiều kim đồng hồ thì đó là bên phải (RD).
Theo hình dưới đây, Quạt ly tâm dòng TGB có thể được chế tạo theo bốn hướng thoát khí: 0°, 90°, 180° và 270°.

Quạt ly tâm dòng TGB bao gồm vỏ quạt ly tâm, cánh quạt ly tâm, tấm đế (khung) quạt ly tâm, động cơ, ống bọc trục và mặt bích thoát khí.
Vỏ quạt ly tâm được làm bằng thép tấm mạ kẽm nóng. Các tấm bên của quạt ly tâm bao gồm các hình nón cửa vào được thiết kế có tính khí động học tốt nhất cho điều kiện cửa vào. Cuộn của quạt ly tâm được cố định vào các tấm bên bằng hàn điểm. Bên hông cuộn quạt ly tâm có hàng loạt lỗ được khoan trước để đinh tán đai ốc tiến hành lắp đặt theo hướng thoát khí mà khách hàng yêu cầu.
Cánh quạt ly tâm cong phía trước được chế tạo bằng thép tấm mạ kẽm nóng cao cấp với cấu hình khí động học tiên tiến để đạt hiệu suất cao nhất và độ ồn thấp nhất. Cánh quạt ly tâm được cố định trên tấm trung tâm và trên vòng cuối bằng chốt kẹp đinh tán. Bánh xe quạt ly tâm được chế tạo với độ bền tối đa có thể chịu đựng được hoạt động liên tục với công suất tối đa. Tất cả các cánh quạt ly tâm đều được cân bằng theo Tiêu chuẩn Quốc gia thậm chí còn cao hơn để cân bằng bánh xe.
Tấm đế quạt ly tâm dòng TGB được làm bằng thép mạ kẽm nóng chất lượng cao và quy trình tăng cường độc đáo đảm bảo đủ độ bền. Hướng lắp đặt tấm đế quạt ly tâm có thể thực hiện theo yêu cầu khác nhau của khách hàng, khung quạt ly tâm Over 315 được làm bằng thép góc và thép dẹt. Trên 4 mặt của khung được khoan lỗ để lắp đặt đáp ứng yêu cầu của khách hàng ở các hướng lắp đặt khác nhau của quạt thổi ly tâm.
Động cơ quạt ly tâm được sử dụng trong quạt ly tâm dòng TGB là động cơ quạt xoay chiều không đồng bộ ba pha có độ ồn thấp với rôto bên ngoài. Cánh quạt ly tâm được lắp đặt trên vỏ ngoài của động cơ quạt xoay chiều. Tốc độ quay của động cơ có thể được thay đổi bằng cách sử dụng điện áp ba pha thường xuyên, được điều khiển bằng silicon, bộ điều chỉnh điện áp, bộ biến tần, v.v. để đáp ứng tải thay đổi trong hệ thống.
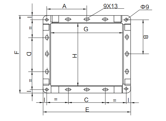
Mặt bích quạt ly tâm được làm bằng thép mạ kẽm. Các kết nối của các bộ phận mặt bích với cuộn quạt ly tâm được thực hiện bằng quy trình không hàn. Điều này duy trì hình dạng mặt bích tốt đồng thời cung cấp đủ độ bền và độ cứng. Kích thước và loại mặt bích được hiển thị dưới đây.

| KIỂU | MỘT | B | C | D | E | F | G | H | TÔI |
| 200 Ⅰ | 122.5 |
119.5 | - | - | 265 | 259 | 225 | 219 | 10 |
| 200 Ⅱ | 160 | 125 | - | - | 340 | 270 | 300 | 230 | 10 |
| 225 Ⅰ | 139 | 133 | - | - | 298 | 286 | 258 | 246 | 10 |
| 225 Ⅱ | 154 | 133 | - | - | 328 | 286 | 288 |
246 | 10 |
| 225 Ⅲ | 160 | 146.5 | - | - | 340 | 313 | 300 | 273 | 10 |
| 250 Ⅰ | 150.5 | 146.5 | - | - | 321 | 313 | 281 | 273 | 10 |
| 250 Ⅱ | 160 | 146 | - | - | 340 | 312 | 300 | 272 | 10 |
| 280 Ⅰ | 160 | 162.5 | - | - | 340 | 345 | 300 | 305 | 10 |
| 280 Ⅱ | 188 | 162.5 | - | - | 396 | 345 | 356 | 305 | 10 |
| 315 Ⅰ | - | - | 140 | 140 | 394 | 394 | 338 | 338 | 13 |
| 315 Ⅱ | - | - | 140 | 140 | 456 | 394 | 400 | 338 | 13 |
| 355 Ⅰ | - | - | 140 | 140 | 431 | 431 | 375 | 375 | 13 |
| 355 Ⅱ | - | - | 140 | 140 | 487 | 431 | 431 | 375 | 13 |
| 400 Ⅰ | - | - | 140 | 140 | 475 | 475 | 419 | 419 | 13 |
| 400 Ⅱ | - | - | 140 | 140 | 516 | 475 |
460 | 419 | 13 |
| 450 Ⅰ | - | - | 170 | 170 | 525 | 525 | 469 | 469 | 13 |
| 450 Ⅱ | - | - | 170 | 170 | 586 | 525 | 530 | 469 | 13 |
| 500 Ⅰ | - | - | 170 | 170 | 562 | 562 | 506 | 506 | 13 |
| 500 Ⅱ | - | - | 170 | 170 | 656 | 562 | 600 | 506 | 13 |
Lưu ý: các đơn vị kích thước quạt ly tâm ở dạng và kích thước tổng thể là mm.
1) Xếp hạng Công suất động cơ quạt ly tâm , một trong các bộ phận của quạt ly tâm, như được tính toán ở đây có thể không đủ để dẫn động quạt ly tâm với dòng xả không hạn chế. Vận hành quạt thổi ly tâm với cửa xả không hạn chế sẽ dẫn đến tốc độ dòng chảy vượt quá khả năng quy định của quạt. Thao tác như vậy sẽ nhanh chóng làm cháy mô tơ quạt và làm hỏng quạt ly tâm. Phải hết sức cẩn thận khi vận hành quạt ly tâm để đảm bảo rằng lưu lượng định mức tối đa, như được cung cấp trên biểu đồ hiệu suất của quạt ly tâm trong mô tả quạt ly tâm này, không bị vượt quá.
2) Hiệu suất của quạt ống ly tâm được kiểm tra theo tốc độ định mức của động cơ, chúng tôi có thể đáp ứng yêu cầu thực tế của người dùng bằng cách thay đổi tốc độ động cơ.
3) Cần đặc biệt chú ý đến quạt ly tâm / máy thổi inch trong quá trình vận chuyển, bốc xếp. Quạt ly tâm bị hạn chế sử dụng ở những khu vực có chất không khí không bị ăn mòn, không độc hại và không bị ăn mòn.
4) Sau khi lắp đặt, cánh quạt ly tâm phải được quay bằng tay hoặc dùng cờ lê để đảm bảo nó quay tự do mà không va chạm với các bộ phận khác của quạt ly tâm. Sau khi hoàn thành tất cả những điều này, quạt thổi ly tâm có thể được vận hành bình thường.
5) Đầu nối linh hoạt của quạt thổi ly tâm giữa mặt bích đầu ra của quạt và ống dẫn giao phối của nó. Nên sử dụng Đầu nối flex không được kéo căng quá mức.
6) Cần kiểm tra bên trong cuộn và vỏ để đảm bảo rằng không có vật lạ bên trong vỏ quạt ly tâm, chẳng hạn như dụng cụ hoặc các bộ phận lỏng lẻo.
7) Cần kiểm tra hướng quay của động cơ ngưng tụ quạt hộp ly tâm và bánh xe quạt ly tâm để đảm bảo rằng chúng tuân thủ các thông số kỹ thuật và đơn đặt hàng.
8) Khi đặt hàng cần nêu rõ các loại quạt ly tâm, loại động cơ quạt ly tâm, lưu lượng gió của quạt ly tâm, áp suất không khí của quạt ly tâm và các thông số khác của quạt ly tâm.


Câu hỏi thường gặp
Liên hệ với chúng tôi